ꘛ
返回乐清浩泽商城首页
꘧
Ꞡ
搜索
我的购物车
0
快速询价
搜索
我的购物车
0
快速询价
全部商品分类
商城首页
|
品牌馆
|
限时特惠
|
快速选型
|
智能下单
|
厂商咨询
首页
>
气动、液压
>
气动控制元件
>
电磁阀
>
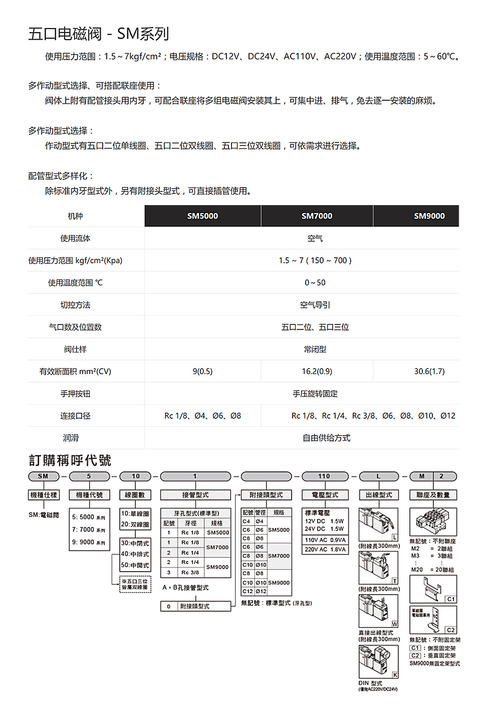
气立可 SM 二位五通电磁阀
切换产品
气立可 > SM > SM SM 二位五通电磁阀
产品价格
其他型号
产品图片仅供参考,以右边产品信息为准。
手机查看
气立可 SM 二位五通电磁阀 单电控
促销价
:
¥
221.00
/个
市场价
:
¥
221.00
/个
促 销
:
优惠券
:
更多
订货号
:
SM-5101-L-24VDC
型号
:
SM-5101-L-24VDC
品牌
气立可
系列
SM
品类
电磁阀
包装规格
-
渠道
:
配送至
:
总库存
: 0
货期参考
:
发货渠道
库存数
单价
渠道发货数
发货时间
期货
期货订货仓
0
¥
221.00
/个
1
个
预计2~8周
支付方式
:
微信支付
支付宝支付
对公付款
立即购买
加入购物车
加入货架
温 馨 提 示:部分仓库有起购量要求,已为您推荐了适合的购买数量,
查看起购量要求
渠道
发货仓
包装量
起购量
选择参数规格
规格参数筛选
清空筛选
产品信息
参数
库存
促销价
渠道/对应数量/货期时效
数量
加入货架
加入购物车
立即购买
总价
¥
00.00
已选择
0
种商品,共
0
件
产品详情
规格参数
资料下载
!
暂无产品资料附件